注意:访问本站需要Cookie和JavaScript支持!请设置您的浏览器! 打开购物车 查看留言付款方式联系我们
初中电子 单片机教材一 单片机教材二
搜索上次看见的商品或文章:
商品名、介绍 文章名、内容
首页 电子入门 学单片机 免费资源 下载中心 商品列表 象棋在线 在线绘图 加盟五一 加入收藏 设为首页
本站推荐:
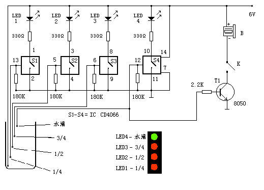
++ 水位指示及水满报警器 ++
文章长度[522] 加入时间[2006/7/1] 更新时间[2025/10/31 3:59:50] 级别[3] [评论] [收藏]
++ 水位指示及水满报警器 ++


  这里介绍的电路不仅能提供水位指示还能在水满时发出报警声,简单实用。

  该电路由一片四双向模拟开关集成电路CD4066为核心构成。每个电路内部有四个独立的能控制数字或模拟信号传送的开关。当水箱无水时,由于180K电阻的作用,使四个开关的控制端为低电平,开关断开,LED 不发光。随着水位的增加, 由于水的导电特性,使得IC的13脚为高电平,S1接通,LED1点亮。当水位逐渐增加时,LED依次发光指示水位。水满时, LED4发光, 显示水满。同时T1导通, B发出报警声,提示水已满。不需要报警声时,断开开关K即可。

  制作时,可参考下图选择元器件,并可制作一个简易面板。T1建议选择放大倍数较大的8050。B可根据实际情况及个人爱好选择合适报警器。其它无特殊要求。

  在新窗口打开查看!
1、 本站不保证以上观点正确,就算是本站原创作品,本站也不保证内容正确。
2、如果您拥有本文版权,并且不想在本站转载,请书面通知本站立即删除并且向您公开道歉! 以上可能是本站收集或者转载的文章,本站可能没有文章中的元件或产品,如果您需要类似的商品请 点这里查看商品列表!
本站协议 | 版权信息 |  关于我们 |  本站地图 |  营业执照 |  发票说明 |  付款方式 |  联系方式
深圳市宝安区西乡五壹电子商行——粤ICP备16073394号-1;地址:深圳西乡河西四坊183号;邮编:518102
E-mail:51dz$163.com($改为@);Tel:(0755)27947428
工作时间:9:30-12:00和13:30-17:30和18:30-20:30,无人接听时可以再打手机13537585389